Web Analytics Made Easy - Statcounter
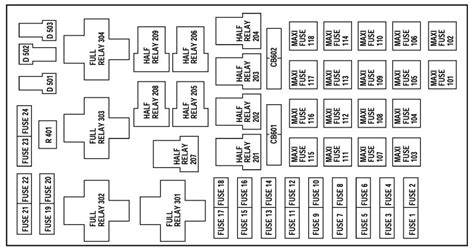
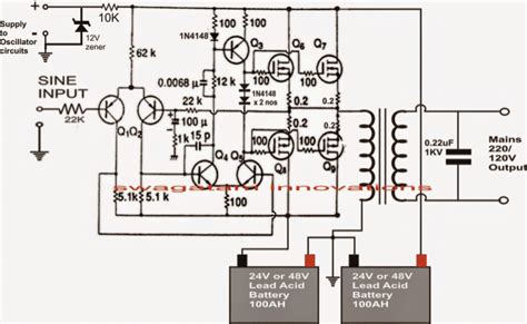
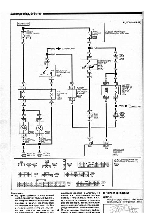
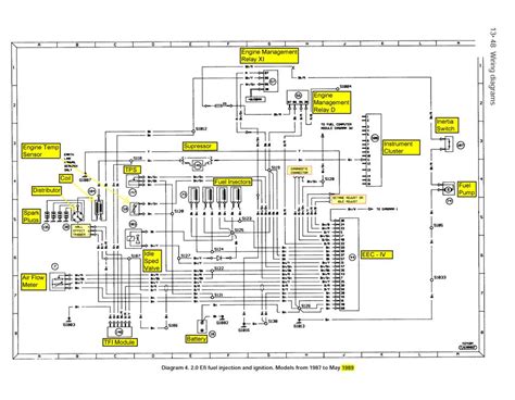
8 Pin Relay Reversing Diagram: How to Use It for Motor Control

8 Pin Relay Reversing Diagram: How to Use It for Motor Control

8 Pin Relay Reversing Diagram: How to Use It for Motor Control Birthday number 8 for cake (easy to print) by sunshinemakes